Hinweis: Eine Schaltung mit erweiterten Funktionen ist verfügbar: GSM Remote Switcher.
Bei Anruf: warm
Handy-Funkfernsteuerung für eine Standheizung
Inhalt
Einführung
Handy und Vertrag
Heizungssteuergerät
Steuermodul im T5
Handy-Steuergerät
Einführung
Die Idee ist natürlich nicht neu und in einschlägigen Foren immer schon mal diskutiert worden. Aber neu ist, daß ich es selber gemacht habe und in meinem Auto realisiert habe. Um was geht es also? In meinem Bus habe ich eine praktische Standheizung (für die Erbsenzähler: es ist nur eine Warmwasserzusatzheizung), die es im Winter (lau) warm macht und vor allem dafür sorgt, daß die vereiste Frontscheibe abgetaut ist (was sehr wichtig ist, da VW so minderwertiges Glas verbaut, daß man jeden leichten Kratzer vom Eisschaber und sogar den Wischerblättern sieht und das nicht erst nach Jahren, sondern sofort). Das Ding ist über eine kleine Konsole im Amaturenbrett programmierbar. Will man um 6:00 Uhr losfahren, dann programmiert man die Einschaltzeit am Vortag eine halbe Stunde davor und der Motor ist dann auch gleich angenehm warm. Nur wie das so ist: Man hat das Programmieren vergessen oder dachte, es wird nicht so kalt oder wußte gar nicht, daß man um 6:00 Uhr los will. Am Morgen schaut man dann aus dem Fenster und sieht die Mitbürger kratzen und ärgert sich ein wenig, denn wieso hat man die Heizung denn dann? Jetzt also runter gehen und das Ding einschalten - brrr. Toll wäre doch eine Funkfernbedienung, um die Heizung manuell aus der Wohnung heraus starten zu können.
Natürlich gibt es entsprechende Funk-Lösungen, die aber alle teuer sind (Webasto Thermo Call via Mobilfunknetz für ca. € 500,- zzgl. Gesprächsgebühren oder Telestart T80 mit 600m Reichweite für ca. € 350,- zzgl. Einbau jeweils) und vor allem oft nur eine beschränkte Reichweite aufweisen. Die Idee ist, ein ausrangiertes Handy im Auto zu installieren, welches man anrufen kann und dadurch die Heizung einschaltet. Dadurch erreicht man eine endlose Reichweite, denn solange das Handy im Netz eingebucht und erreichbar ist, kann man es von jedem Festnetztelefon oder Handy anrufen. Gebühren fallen dabei keine an, denn man läßt das Handy nur einmal klingeln und legt dann wieder auf, ohne daß das "Gespräch" vom Auto-Handy angenommen wurde.
Entsprechende Lösungen gibt es auch schon im Web. Hierbei wird mit einem programmierbaren Baustein gearbeitet. Dieser aktiviert die Heizung für eine einstellbare Zeitspanne. Diese Schaltung ist mir aber zu aufwendig und außerdem nicht zum nachbauen geeignet, sondern nur zum kaufen und außerdem will ich selber etwas entwickeln und ausprobieren, was auch für jeden etwas geübten Elektrobastler nachbaubar ist. Ohne Handy kostet die gesamte Schaltung inkl. Gehäuse etc. ca. € 15,- wobei der Handystecker (s. u.) am teuersten ist. Billige Handys sind schon für € 10,- inkl. Versand zu bekommen, wenn man keins zu Hause hat. Unschlagbar billig also.
Im nachhinein wurde ich dann von Mikel auf einen Bausatz von Conrad aufmerksam gemacht, der zu vergleichbaren Kosten das ganze elegant über die Handybeleuchtung realisiert, so daß es mit fast jedem Handy ohne Basteln am Telefon auskommt. Allerdings fehlt hier dann noch die Schaltung für die Ladespannung des Handys.
Handy und Vertrag
Im Prinzip eignet sich jedes ausrangiertes Handy aus der Bastelkiste oder für ein paar Euro von ebay für den Zweck. Das Handy bzw. die Schaltung soll keinerlei Logik aufweisen, um den Nachbau billig zu halten. Wenn es klingelt geht die Heizung an oder wieder aus. So lange man die Telefonnummer nicht bekannt gibt, wird auch keiner auf dem Handy anrufen. Gelegentliche Irrläufer oder Anrufe der Servicehotline (hier kann man auch einen schriftichen Bescheid hinschicken, daß man keinerlei Nachrichten wünscht, woran die sich halten müßten - theoretisch wenigstens) und darauf folgende Fehlschaltungen muß man in Kauf nehmen. Einige Handys besitzen sogar die Möglichkeit, bei nicht im Telefonbuch gespeicherten Nummern den Anrufer abzublocken, so daß man seine eigene Festnetznummer etc. im Telefonbuch speichern kann und dann nur mit dieser die Heizung aktiviert. Das verwendete S35 kann zwar die unerwünschten Anrufer abblocken, leider wird der Anruf aber trotzdem auf der verwendeten Leitung signalisiert, so daß sich die Heizung einschaltet.
Damit man nicht im Handy herumfummeln und löten muß, ist es ideal, wenn sich ein nutzbares Signal am fast immer vorhandenen Steckeranschluß befindet, über den man sonst auch Datenkabel oder die Ladestation anschließt. Findet man dann im Handel noch einen entsprechenden Stecker, ist der Nachbau sehr elegant zu lösen. Ich hatte bei meinen Versuchen mit dem Löten im Innenleben aus unerfindlichen Gründen ein Alcatel aufgeraucht und erst danach mit dem Stecker gearbeitet. Alternativ kann man auch ein Signal im Inneren abgreifen - vielleicht die Displaybeleuchtung oder den Signalgeber.
Anschließend habe ich ein Siemens S35 benutzt. Dazu gibt es in den einschlägigen Bastelläden wie Conrad, Pearl oder Reichelt passende Stecker. Ich hatte einen Adapter für Headsets von hama gekauft, da der billiger als alles andere war (€ 8,-) und außerdem alle Pins belegt waren.
Geeignet sind vor allem Handys, die am Steckeranschluß einkommende Anrufe signalisieren. Oft gibt es dazu einen Pin für die Stummschaltung (mute) des Autoradios. Welche Signale ein Handy liefert, läßt sich bei Pinouts.ru gut feststellen. Liefert ein Pin bei Anruf ein Signal zwischen 0,6 und einigen Volt, so kann dieses für die restliche Schaltung genutzt werden. Bei meinem S35 liegt dann beispielsweise an Pin 10 ca. 1,8V, obwohl es sich eigentlich um einen Mic-Eingang handeln soll. Am besten, man testet die einzelnen Pins systematisch mit einem Multimeter durch und mißt die anliegenden Spannungen gegen Masse im Ruhezustand und bei Anruf. Ggf. vorher noch im Handymenü die Stummschaltungs-, Freisprech- oder Radiofunktion aktivieren.
Nachtrag: Da es immer wieder Probleme bei Frost gibt, habe ich nun ein GSM Modul im Einsatz. Die /RING Leitung kann man für die Anrufkennung nutzen.
Ebenfalls über den Stecker wird über eine Konstantspannungsquelle, wie sie mit einem Festspannungsregler 78xx leicht aufzubauen ist, die Spannung zum Laden des Akkus geführt. Wem diese billige Lösung zu viel Verlust (-wärme) produziert, kann auch einen Schaltregler verwenden.
Beim Vertrag kommt es eigentlich auf gar nichts an. Nur billig sollte die Sache sein. Also keine Anschluß- und Grundgebühr und kein Mindestumsatz. Wie teuer die Gesprächseinheiten sind, ist völlig egal, da man ja zum leidwesen des Providers niemals vom Auto-Handy aus anrufen wird. Da auch keine Handydreingabe benötigt wird, findet man im Internet zahlreiche passende Angebote. Von Prepaid-Karten sollte man die Finger lassen, da diese deaktiviert werden, wenn kein Umsatz anfällt. Gut ist, wenn man noch den Anrufbeantworter abstellen kann, damit es bei Fahrten ins Ausland nicht teuer wird, wenn man zu lange klingeln läßt oder ein Witzbold anruft.
Heizungssteuergerät
Im Gegensatz zu den alternativen Umbauten will ich nicht in die Steuerleitung zwischen Steuermodul und Heizung eingreifen, sondern direkt in das Steuergerät. Die Lösungen, die zwischen Steuerung und Heizung ansetzen, haben den Vorteil, daß sie ohne Eingriffe in das Gehäuse des Steuergerätes auskommen, was aber wirklich kein Problem ist, da sich das bei meinem Modell sehr einfach machen ließ. Nachteil der Alternativlösungen ist aber, daß sich dann die Handy-Schaltung um die Heizungsdauer kümmern muß. Das ist mir zu viel Aufwand. Mein Steuergerät hat eine Taste (rotes Symbol mit aufsteigenden Wärmestrahlen in der Mitte), die bei einmaliger Betätigung die Heizung für einen festlegbaren Zeitraum aktiviert (Voreinstellung 30 Minuten) und bei erneutem Tastendruck die Heizung wieder abstellt. Ich will mit meiner Handy-Schaltung diesen Tastendruck simulieren.

Zuerst einmal muß das Steuergerät für die Heizung aus meinem T4 ausgebaut werden. Dazu den Ascher herausnehmen und dann den dünnen Verkleidungsrahmen um die linken Bedienelemente abziehen. Durch den Ascherschacht hindurch kann man dann das Steuergerät einfach nach vorne schieben und den Stecker abziehen.

Das Gehäuse läßt sich einfach über die Klemmlaschen öffnen. Anschließend die Metallhalter abnehmen und die Platine ebenfalls über die Klemmnasen herausschieben. Auf der Vorderseite lassen sich dann die Leiterbahnkontakte für die einzelnen Taster erkennen. Für uns ist nur der mittlere interessant.

Die zwei dicht übereinanderliegenden goldenfarbenen Flächen (Halbkreis und Rechteck) links und rechts von dem hellgrauen Bauteil werden durch den Taster kurzgeschlossen (egal, ob das linke oder rechte Paar). Die Handy-Steuerung soll genau dies auch tun. Also werden zwei Kabel benötigt, die an diese Kontaktflächen anschließen. Von den Kontaktflächen gehen Leiterbahnen weg, die teilweise durch kleine Durchkontaktierungs-Löcher auf die Rückseite der doppelseitigen Leiterplatte führen. So ein Loch ist genau das richtige, um ein Kabel einzulöten. Am besten von der Rückseite und etwas entfernt von den Tasterkontakten, damit die Tastenkappen nicht behindert werden. Ich habe die Leiterbahnen auf beiden Seiten verfolgt, bis ich zwei passende Kontakte gefunden habe, an die ich dann zwei Kabel angelötet habe.

Beim Löten darauf achten, nicht die kleinen SMD-Bauteile zu erhitzen und keine Leiterbahnen anschmoren. Anschließend am besten mit einem Durchgangsprüfer testen, ob man wirklich die richten Verbindungen hergestellt hat und je ein Draht zu jeder Kontaktfläche für die Taster auf der Vorderseite führt. Anschließend kann das Steuergerät wieder zusammengebaut werden, wobei das Kabel durch ein noch zu bohrendes Loch auf der Rückseite sauber hinausgeführt wird. Ein schlichter Knoten im Kabel auf der Innenseite des Deckels sorgt für die nötige Zugentlastung.
Das Kabel ist nur ca. 10cm lang und wird mit zwei typischen KFZ-Flachsteckhülsen am Ende versehen. Ein langes Kabel wird dann über die Steckhülsen angeschlossen und zum Handy-Steuergerät verlegt, so daß man das Heizungsmodul immer wieder ausbauen kann, ohne das ganze Kabel zum Handy-Steuergerät abbauen zu müssen.
Steuermodul im T5
Die Moduluhr beim T5 im Dachhimmel hat nur vier Tasten und keine mehr, die durch einmaliges drücken die Standheizung aktiviert. Man muß die Taste unten rechts zweimal drücken, um die Heizung für die programmierte Laufzeit zu aktivieren. Um die Tastendrücke zu simulieren, muß wieder ein Kabel parallel zu der Taste eingelötet werden.
Allerdings genügt die einfache Schaltung für den T4 hier nicht mehr aus. Deshalb wurde das Programm des GSM Remote Switcher individuell modifiziert, so daß der eine Schaltausgang mit einem Anruf zweimal nacheinander ein- und ausgeschaltet wird. Alternativ könnte man auch die Kabel an Exit1 und Exit2 parallel schalten und zuerst Exit1 per Anruf schalten lassen und dann noch Exit2 anrufen.
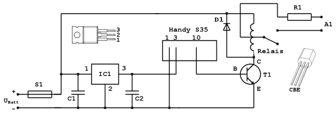
Handy-Steuergerät
Das Handy wird später in einem kleinen Gehäuse zusammen mit dem Steuergerät untergebracht. Da ich die Standheizung zusammen mit dem Winterpaket für den T4 gekauft habe, besitze ich eine zweite Batterie unter dem Fahrersitz. Das hat den Vorteil, daß ich mir keine Gedanken darüber machen muß, ob das Handy durch den permanenten Ladevorgang die Batterie leer saugt, denn die ist bei ausgeschalteter Zündung von der Starterbatterie getrennt und wenn sie leer sein sollte, kann ich trotzdem starten, habe dann nur keine Heizungsfunktion gehabt. Außerdem paßt unter den Fahrersitz noch das Gehäuse mit der Handy-Steuerung. Ansonsten muß man sich nach einem alternativen Einbauort umsehen.
Die folgende Schaltung ist primitiv aber funktionsfähig, aber nur bedingt für andere Handymodelle geeignet. Größere Unterschiede sind bei dem Steuersignal aus dem Handy zu erwarten. Meins liefert wie gesagt ca. 1,8V. Die kann man bedenkenlos an die Basis des Transistors BC547 geben. Da ich mal annehme, daß kein Handy einen großen Strom liefert, kann man auf einen Vorwiderstand an der Basis i. d. R. auch bei anderen Spannungen verzichten.

Mit folgenden Bauteilen:
| Bezeichnung |
Typ |
| S1 |
Sicherung 2A mit Halterung |
| R1 |
Widerstand 33Ω (Orange|Orange|Schwarz) |
| T1 |
Transistor BC547C |
| IC1 |
78xx |
| C1 |
Kondensator 0,33µF |
| C2 |
Kondensator 0,1µF |
| D1 |
Diode 1N4148, 1N4001 oder vergl. |
| Relais |
1xUM |
- Das Relais kann irgendein einfaches für 12V sein. Zum Beispiel von Conrad mit der Bestellnummer 504153. Der Innenwiderstand (hier 400Ω) reicht als Strombegrenzung aus.
- Die Sicherung dient dem einfachen Schutz. Ich hatte mehrere Stück verglühen lassen, bis ich begriff, daß ich keinen Aufbaufehler vorzuliegen hatte, sondern das Handy beim Aufladen locker 2A zieht und da dann die anfangs verwendeten 500mA zu wenig waren. Eventuell also 5A Typen nehmen, wenn das Handy sehr hungrig ist.
- R1 ist sicherheitshalber eingebaut, da die Gummi-Taster des Heizungssteuermoduls keinen sauberen Kurzschluß bilden, sondern einen kleinen Widerstand von eben 30Ω besitzen. Damit der vom Relais verursachte Kurzschluß des Umschalters dem entspricht, wurde der Widerstand eingefügt, um das Heizungssteuermodul nicht mit einem eventuell zu hohen Strom zu belasten.
- Beim Transistor auf den richtigen Anschluß der Beinchen achten.
- Je nach dem, was das Handy benötigt, kann man einen passenden Festspannungsregler als IC1 nehmen, der die benötigte Spannung liefert: 7805 für 5V (für das Siemens S35), 7809 für 9V usw. Um den ggf. hohen Ladestrom zu verkraften, wenn das Handy mal eine Zeit lang nicht an der Auto-Batterie war, empfiehlt sich ein 78Sxx, der 2A abkann. Ein kleines Kühlblech ist auf jeden Fall empfehlenswert.
- Die Kondensatoren können billige Polyester Modelle o. ä. sein, bei denen es nicht auf die Polarität ankommt.
- Freilaufdiode D1, um T1 vor Induktionen durch das Relais zu schützen. Auf Polung achten: Strich auf der Diode entspricht dem Balken an der Spitze im Schaltbild. Danke an Michael.
- An UBatt wird die Autobatterie mit ca. 12V angeklemmt. Auf richtige Polung achten!
- A1 wird an die zwei Leitungen vom Heizungssteuermodul angeschlossen. Die Polung ist egal.
Das ganze kann auf einer Lochrasterplatine aufgebaut werden. Folgend ein Aufbaubeispiel erstellt mit LochMaster inkl. Durchsicht auf die Lötseite, wo auf die vier Leiterbahnunterbrechungen zu achten ist. Ich habe diesen Aufbau nicht getestet, sondern ihn erst im nachhinein entworfen - es kann also sein, daß er Fehler enthält. Im Aufbau wurden elegante Schraubklemmen für die Anschlüsse eingesetzt. Natürlich können die Anschlußkabel auch direkt oder mit Hilfe von Lötstiften eingelötet werden.


Zusammen mit dem Handy, welches ich einfach mit zwei durchs Gehäuse hindurchgeführten Kabelbindern befestigt habe, paßt alles in die Box (Heißkleber für die Lochrasterplatine nach einem Funktionstest). Knoten in den Kabeln dienen wieder als Zugentlastung im Gehäuse und im Handystecker habe ich einen Klecks Heißkleber verteilt. Am Handy noch die Klingeltöne abstellen und die Tastatursperre aktivieren, damit nicht aus versehen auf Kopfsteinpflaster doch noch telefoniert wird.

Alles schön im Auto unterbringen und dann gleich mal anrufen: 0162... tuut, klick, brumm, WARM!
Viel Spaß und ein stets warmes Auto!
Nachtrag: Im Forum gibt es einen lesenswerten Beitrag zum Thema Handyakku!
Zum Abschluß möchte ich noch darauf hinweisen, daß ich keinerlei Hilfen und Auskünfte zu dem Projekt per Email beantworte und auch keine Bausätze etc. verkaufe. Nutze das
Diskussionsforum!