Anzeige/Werbung
Bitte beachten: neue Version verfügbar: Modell B
Neu entwickeltes USB KKL Interface für OBD (KW 71, KW 1281, ISO 9141, ISO 14230)
Inhalt
Einführung
Entwicklung
Schaltplan/PCB Layout
Aufbau
Software
Einführung

Mit dem bereits vorgestellten
seriellen KL-Interface wird dem interessierten Auto-Bastler ein Interface für die On-Board Diagnose (OBD und OBD II) an die Hand gegeben. Beim KL-Interface handelt es sich auch um eins der wenigern echten KL-Interface, die wirklich noch die K- und die L-Leitung getrennt ansteuern - so wie es nach den Normen erforderlich ist. Dadurch können auch sehr alte Fahrzeuge angesprochen werden, die wirklich noch über die L-Leitung aufgeweckt werden müssen (was aber eher selten der Fall ist). Der Nachteil ist, daß viele moderne Laptops keine serielle RS232-Schnittstelle mehr aufweisen und ein RS232-USB-Adapter benötigt wird, der teilweise bei preiswerten Modellen zu Verbindungsproblemen führt. Deshalb jetzt hier auch ein Entwurf für ein USB-Interface.
Das hier vorgestellte USB-Interface trägt der Entwicklung Rechnung, daß einige Fahrzeuge der Volkswagen AG die L-Leitung zur Datenkommunikation verwenden (entgegen der erlaubten Norm) und die L-Leitung nicht mehr zum aufwecken benutzt wird. Laut Ross-Tech handelt es sich dabei um: "All B6/8E chassis A4/S4 models with Xenon headlights. All 2002 and newer A6 (C5-platform, 4B-chassis) models, including the Allroad.". Das Interface überträgt deshalb auf der L-Leitung K-Daten, weshalb ein solches Interface auch KKL-Interface genannt wird (viele andere schreibweisen sind möglich: K/KL, KK/L usw.). Auch dieses Gerät eignet sich nicht nur für Fahrzeuge von VAG, sondern für viele andere Hersteller.
Um sich zwischen einem der beiden Adapter zu entscheiden, hier einige Pro und Contra Argumente:
| |
RS232 (KL) |
USB (KKL) |
| Pro |
- Preiswert
- Einfacher Aufbau auch für Laien gut zum Löten geeignet
- Normgerecht
- Für ältere Fahrzeuge notwendig
- Keine Treiberinstallation
- Zuverlässig bei problematischem Timing (Kommunikationsfehler)
|
- Für abgespeckte Laptops geeignet
- KKL für einige VAG Modelle notwendig
- Handliches Gehäuse
|
| Contra |
- kein KKL
- USB-Adapter erforderlich, wenn keine serielle Schnittstelle vorhanden.
Ansttatt eines USB Adapters empfehlen wir die Verwendung einer PCMCIA RS232 Karte oder einen ExpressCard-RS232 Adapter für Laptops (Hinweis im Forum beachten) bzw. einer PCI Karte für Desktop PCs, mit denen Sie einen seriellen Port nachrüsten können.
|
- Treiberinstallation erforderlich
- Teurer
- Filigrane Lötarbeit
- Da der USB Port immer (wirklich: bei allen Interfacemodellen, egal was der Hersteller behauptet!) über einen virtuellen COM-Porttreiber angesprochen wird, kann es zu Timing- und damit verbunden zu Verbindungsproblemen kommen, die bei einem RS232 Modell nicht auftreten. Das liegt nicht am Interface, sondern an der Treibersoftware. Es gibt keine Lösung für das Problem, man kann dann nur auf ein serielles Interface mit Adapter ausweichen.
|
Entwicklung
An dieser Stelle liefere ich mal einen kleinen Einblick in die Entwicklung des Adapters: Zuerst entstand der Prototyp, der hier schon seit einiger Zeit zu sehen war:
Dieser enthielt noch einen Designfehler, zeigte aber, daß das Prinzip schon richtig war und auch alles in das kleine Steckergehäuse paßt. Also wurde der Fehler behoben und da es sich gerade anbot, wurden auch gleich einige professionelle Leiterplatten in Auftrag gegeben. Allerdings wurde die neue Version nicht zuvor getestet, da die Zeit zu knapp war und die Fertigung mit einerm anderen Auftrag kombiniert werden sollte, um Kosten zu sparen.
Das erweis sich leider als taktisch Unklug, denn der Fehler war nicht behoben, sondern nur verlagert, da es sich eher um einen Denkfehler handelte. Deshalb liegen jetzt hier einige PCBs im Grunde unnütz herum. Das Interface ist zwar im Prinzip funktionsfähig, doch wird nur die K-Leitung unterstützt. OK, das genügt auch für vermutlich 98% aller Anwendungsfälle. Die L-Leitung wird ja nur für einige Exoten benötigt.
Endlich ist die fehlerfreie Version fertig. Dieses Layout unterstützt jetzt wirklich KKL. Um die Platinen besser unterscheiden zu können (und weil es schick aussieht), wurde roter Lötstoplack benutzt. Zudem ist die Platine nur 0,8 mm statt der üblichen 1,5 mm dick. Dadurch ist sie zwar etwas empfindlicher gegen mechanische Krafteinwirkungen, paßt aber besser ins Steckergehäuse.
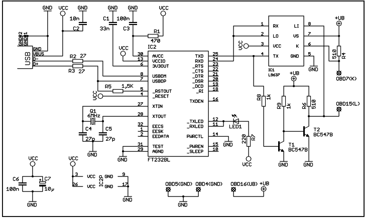
Schaltplan/PCB Layout

Kern des USB Interface ist ein USB-Chip von
FTDI: der
FT232BL (
PDF Datenblatt). Dieser ist zwar etwas aufwendiger in eine Schaltung zu integrieren, da er im Gegensatz zum FT232R einen externen Quarz benötigt, aber die Abstände der Beinchen sind etwas größer, so daß er sich besser eignet, um mit Hobbyausstattung
eingelötet zu werden.
Dank des (leider etwas teureren) FTDI-Chips ist gewährleistet, daß es mit diesem Adapater zu keinen Problemen mit älterer Software kommt (wie es teilweise bei USB-Billiglösungen vorkommen kann), die nur für die serielle Schnittstelle konzipiert wurde. Das Interface muß von Windows automatisch als neues Gerät erkannt werden, wenn es mit dem PC verbunden wird.
USB Treiberinstallation und Handling verläuft analog zu den Ausführungen zum
AGV4000.
Während im ersten Prototyp noch eine Duo-LED vorgesehen war, die den Zustand der virtuellen Sende- und Empfangsleitung (RXD/TXD) getrennt signalisierte, wurde bei der nächsten Schaltungsversion darauf verzichtet (aufgrund der etwas schweren Beschaffbarkeit der hierfür notwendigen LED mit gemeinsamer Anode). Jetzt signalisiert eine Standard-LED den Zustand für beide Leitungen, was völlig ausreicht, da man ansonsten sowieso nur selten die Farben unterscheiden konnte. Eine blinkende LED zeigt an, daß Daten gesendet und/oder empfangen werden.
Im Gegensatz zum seriellen KL-Interface werkelt in dieser Schaltung der ISO-Baustein L9637D (PDF Datenblatt) von STMicroelectronics. Dieser bietet nämlich zusätzlich die Möglichkeit, Signalpegel der eingehenden Daten auf der L-Leitung zu konvertieren. Der Baustein sorgt mit seinem internen Aufbau auch für einen Verpolungsschutz bei falsch angelegter Fahrzeugspannung.
Zudem bietet der L9637 die einzigartige Mögllichkeit, den Diagnosestecker auch in Lastkraftwagen (LKW) einzusetzen. In Trucks wird fast immer mit einer (gegenüber dem PKW) doppelt so hohen Bordspannung von 24 V gearbeitet (entweder aus einer LKW-Batterie oder zwei in Reihe geschalteten 12 V PKW-Autobatterien). Die meisten OBD-Interface sind nicht für diesen hohen Spannungsbereich im LKW geeignet und würden kaputt gehen. Um das USB KKL-Interface LKW-tauglich zu machen, müssen lediglich die beiden 510 Ω Widerstände R4 und R6 gegen 1 kΩ Widerstände (braun-schwarz-rot) ausgetauscht werden.
OBD II Stecker 24V LKW ISO 15031-3:2004(E)
Eine weitere Besonderheit betrifft den OBD II Stecker: Dieser weist bei PKW mit 12 V einen durchgängigen Mittelsteg zwischen den Pinreihen auf. Bei 24 V ist der Steg unterbrochen. Entweder wird ein Stecker ohne Steg benutzt oder die Lücke wird einfach mit einem Seitenschneider oder Messer hineingeschnitten.
Mit der freien Software OBD Scan Tech kann dann (wenn der LKW ISO 9141 oder 14230 unterstützt) die Diagnose durchgeführt werden.
Bauteilliste:
| Anzahl |
Bezeichner |
Typ |
| 1 |
R1 |
470 Ω, gelb-violett-braun |
| 2 |
R2, R3 |
27 Ω, rot-violett-schwarz |
| 2 |
R4, R6 |
510 Ω, grün - braun - schwarz - schwarz |
| 1 |
R5 |
1,5 kΩ, braun-grün-rot |
| 1 |
R7 |
220 Ω, rot-rot-braun |
| 2 |
R8, R9 |
1 kΩ, braun-schwarz-rot |
| 1 |
C1 |
33 nF, RM 2,5 |
| 1 |
C2 |
10 nF, RM 2,5 |
| 2 |
C3, C6 |
100 nF, RM 2,5 |
| 2 |
C4, C5 |
27 pF, RM 2,5 |
| 1 |
C7 |
10 µF/63 V; Elko; RM 2,5; radial |
| 1 |
LED1 |
5mm Standard LED |
| 1 |
Q1 |
6 MHz Quarz |
| 2 |
T1, T2 |
BC547 |
| 1 |
IC1 |
L9637D |
| 1 |
IC2 |
FT232BL |
| 1 |
USB1 |
USB Buchse Typ B |
Nebenstehend die Bestückung für die fehlerfreie Platine.
Aufbau

Im Forum gibt es einen hilfreichen
Diskussionsbeitrag!
Bei der Bestückung darauf achten, daß zuerst die
SMD ICs eingelötet werden. Später ist da kein 'rankommen mehr.
Dann die restlichen Bauteil (R2 und R5 richtig ausrichten). Der Quarz darf nicht die Platine berühren, da er ansonsten die beiden Lötpads kurzschließt. Also etwas Abstand einhalten (z. B. einen abgeschnittenen Bauteildraht beim Einlöten als Abstandhalten verwenden).
Bei der USB-Buchse die zwei dicken Massefahnen etwas kürzen vor dem einlöten in die Platine, da dann die Buchse besser ins Gehäuse paßt.
Die LED kann auf der Bauteilseite oder von unten eingelötet werden. Je nach dem, wie herum der Stecker später ins Auto gesteckt wird, damit die LED zu sehen ist.
Bevor die Bauteile entlang der Lötstifte des OBD Steckers eingelötet werden, den Stecker anlöten. Das Layout ist für einen Standard OBD Stecker entworfen. Die Platine wird mit der Bestückungsseite an die äußere Seite der Pins 1-8 (breiter Steckerkragen) angelötet. Pin 15 (bei fehlerhafter Platine nicht erforderlich) und Pin 16 werden mit einer kurzen Drahtbrücke in die Platine gelötet.
Zum Schluß noch ein Loch für die LED in die Gehäsueschale bohren. Die Gehäuseschalen sollten zusammen steckbar sein. Allerdings ist die USB-Buchse schon etwas sperrig. Also ggf. an der Innenseite der Gehäuseschalen etwas Material abtragen.
Software
Wie bei jedem Diagnoseinterface muß zur Diagnose die Zündung im Auto eingeschaltet sein. Für einige Meßwerte ist ein Motorlauf notwendig.
Das Interface sollte mit allen Programmen und Autos problemlos funktionieren, die eins der Protokolle KW 71, KW 1281 (bspw.
WBH-Diag), ISO 9141, ISO 14230 (KW 2000) benutzen. An Software gibt es die gleiche Auswahl, wie beim
seriellen KL-Interface. Die
Zusammenstellung wurde verschoben.