www.blafusel.de


  Home  |   Privat  |   Impressum  |   Bücher  |   Computer  |   Mikrocontroller  |   Misc  |   OBD  |   Forum
Aktuelle Zeit: Sonntag 14. Dezember 2025, 06:03

Alle Zeiten sind UTC + 1 Stunde




Ein neues Thema erstellen Auf das Thema antworten  [ 11 Beiträge ] 
Autor Nachricht
BeitragVerfasst: Donnerstag 30. Juni 2011, 10:25 
Offline

Registriert: Donnerstag 30. Juni 2011, 10:16
Beiträge: 4
Hallo,
erst mal vielen Dank für die tolle Seite. Ich hatte jetzt mehrere Winter die einfache Standheizungsfernsteuerung in Betrieb. Jetzt nach einem Fahrzeugwechsel will ich natürlich auch wieder den Komfort wie vorher, nur leider hat das Auto keine "Direktheiztaste" und die Ansteuerung funktioniert nur über CAN-Bus oder eben über die mitgelieferte Fernbedienung.
Meine Idee ist jetzt, meine Steuerung an die original FB anzuschliessen (und in den Kofferraum zu legen) und dadurch die Steuerung auszulösen. Soweit so gut, nur leider muss man zuerst auf der FB "einschalten" und dann mit einem zweiten Taster "starten".

Hat da jemand eine einfache und kostengünstige Idee wie man zwei kurz aufeinanderfolgende Signale (ca. 1 Sekunde Pause) erzielen könnte?

Vielen Dank.

Gruss SJ


Nach oben
 Profil Private Nachricht senden E-Mail senden  
 
BeitragVerfasst: Donnerstag 30. Juni 2011, 15:20 
Offline

Registriert: Mittwoch 9. März 2011, 22:36
Beiträge: 83
NE555?


Nach oben
 Profil Private Nachricht senden E-Mail senden  
 
BeitragVerfasst: Freitag 1. Juli 2011, 09:34 
Offline
Administrator
Benutzeravatar

Registriert: Mittwoch 6. Oktober 2004, 09:52
Beiträge: 2131
1. Idee: Taster 1 dauerhaft schließen und Impuls nur an Taster 2 zum einschalten. Klappt das?
2. Idee: Stört es, wenn Taster 2 periodisch Impulse bekommt? Dann ginge das wie im Bild.


Dateianhänge:
CLX-3170_20110701_10305201.jpg
CLX-3170_20110701_10305201.jpg [ 14.18 KiB | 65229-mal betrachtet ]

_________________

:verweis: Alles folgende ist Teil der Antwort und wird oben nicht noch mal explizit wiederholt:

Sieh' in die FAQ! Schaue in die Fahrzeugliste, ob Dein Fahrzeug vorhanden ist. Trage Deine Erfahrungen dort ein und hilf so anderen Nutzern!

Ich freue mich über Infos mit Herstellernummern zu VAG Steuergeräten mit CAN TP 1.6/2.0 oder UDS Protokoll wenn die Pinbelegung (Diagnoseleitungen und Spannungsversorgung) bekannt ist.

Nutze PGP für Deine Emails! (PDF lesen)

Dieser Beitrag kann Werbung enthalten.
Nach oben
 Profil  
 
BeitragVerfasst: Dienstag 5. Juli 2011, 16:01 
Offline

Registriert: Donnerstag 30. Juni 2011, 10:16
Beiträge: 4
Danke für die Tipps, der NE555 hat es gebracht. Leider funktionert das mit dem Kurzschluss auf Schalter 1 so nicht aber hab wohl eine Lösung:
Bin noch nicht 100% fertig aber er gibt zwei Schaltsignale aus. Also die klassische Standheizungssteuerung aktiviert den NE555, dieser 2 Relais bzw. Taster abwechselnd. Ist nicht ganz so schön, aber für den Zweck sollte es gehen. Wenn ich es getestet habe, hänge ich hier mal das Schaltbild rein.

Gruss SJ


Nach oben
 Profil Private Nachricht senden E-Mail senden  
 
BeitragVerfasst: Samstag 9. Juli 2011, 23:03 
Offline

Registriert: Mittwoch 9. März 2011, 22:36
Beiträge: 83
Wieso nimmst du nicht 2 NE555 oder einen 556, dann kannste dir schonmal 1 Relais sparen...

Der eine 555 gibt das Einschaltsignal an den anderen, der widerum schaltet die SH.

Bei mir hab ich das per Tiny2313 und einem Handy geloest.


Nach oben
 Profil Private Nachricht senden E-Mail senden  
 
BeitragVerfasst: Sonntag 10. Juli 2011, 22:01 
Offline

Registriert: Mittwoch 9. März 2011, 22:36
Beiträge: 83
Was ist das ueberhaupt fuer ein Fahrzeug?
Und welche Standheizung?

Die Standheizung bekommt ein Massesignal sobald man die Direktheiztaste drueckt.

Kannst du die nicht nachruesten?


Nach oben
 Profil Private Nachricht senden E-Mail senden  
 
BeitragVerfasst: Sonntag 17. Juli 2011, 18:29 
Offline

Registriert: Donnerstag 30. Juni 2011, 10:16
Beiträge: 4
Hi,

es ist ein BMW, Direktheiztaste nachrüsten - ehrlich gesagt keine Ahnung.
Hab meine Schaltung jetzt so wie im Anhang aufgebaut:
2 NE555, denn es braucht eine kleine Pause von ca. 1 Sekunde zwischen den zwei Schaltvorgängen, daher ging der NE556 nicht (hatte ich noch getestet). Damit auch der zweite NE555 schalten kann, muss das Signal vom 1. natürlich etwas länger anliegen, daher unterschiedlich grosse Elkos - muss vielleicht je nach Modell noch etwas angepasst werden.

Auf die Ladefunktion via Festspannungsregler hab ich verzichtet, da ich 1. noch die Zündspannung abgegriffen habe, damit nur geladen wird wenn das Auto fährt und 2. mein relativ modernes Nokia nicht so richtig mit dem Festspannungsregler zurecht kam hab ich noch einen alten Hama Ladeadapter "geopfert" und mit auf die Platine gelötet.

Der Winter kann kommen ;-)

Viele Grüsse
SJ


Nach oben
 Profil Private Nachricht senden E-Mail senden  
 
BeitragVerfasst: Sonntag 17. Juli 2011, 18:40 
Offline

Registriert: Donnerstag 30. Juni 2011, 10:16
Beiträge: 4
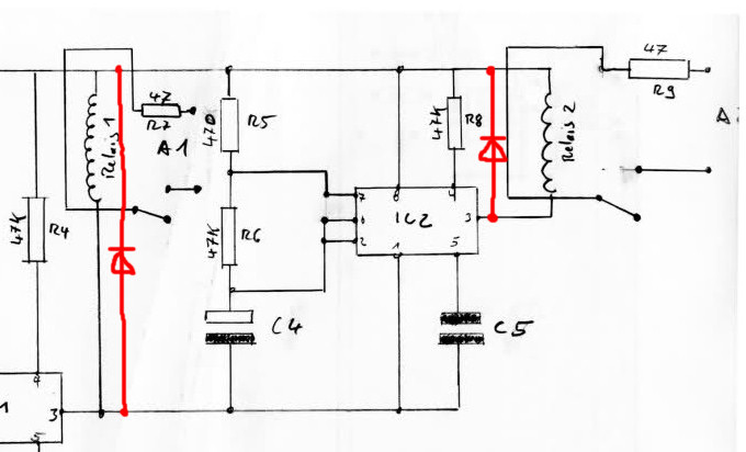
parachutesj hat geschrieben:
und hier noch die Schaltung:
Bild


Nach oben
 Profil Private Nachricht senden E-Mail senden  
 
BeitragVerfasst: Montag 18. Juli 2011, 08:24 
Offline
Administrator
Benutzeravatar

Registriert: Mittwoch 6. Oktober 2004, 09:52
Beiträge: 2131
Ein wenig kompliziert IMHO, aber OK, wenn's klappt.
Zu den Relais muß aber zwingend noch eine Diode (1N4148 o. ä.) in Gegenrichtung eingebaut werden.


Dateianhänge:
Image1.jpg
Image1.jpg [ 56.73 KiB | 65106-mal betrachtet ]

_________________

:verweis: Alles folgende ist Teil der Antwort und wird oben nicht noch mal explizit wiederholt:

Sieh' in die FAQ! Schaue in die Fahrzeugliste, ob Dein Fahrzeug vorhanden ist. Trage Deine Erfahrungen dort ein und hilf so anderen Nutzern!

Ich freue mich über Infos mit Herstellernummern zu VAG Steuergeräten mit CAN TP 1.6/2.0 oder UDS Protokoll wenn die Pinbelegung (Diagnoseleitungen und Spannungsversorgung) bekannt ist.

Nutze PGP für Deine Emails! (PDF lesen)

Dieser Beitrag kann Werbung enthalten.
Nach oben
 Profil  
 
BeitragVerfasst: Montag 18. Juli 2011, 15:51 
Florian,
danke guter Hinweis. Ich hab bei mir noch zwei Leuchtdioden drin, die ich noch ersetzen wollte und gar nicht an die Dioden gedacht.


Nach oben
  
 
BeitragVerfasst: Donnerstag 7. März 2013, 09:56 
Offline

Registriert: Montag 17. Dezember 2012, 12:47
Beiträge: 3
Auf jeden Fall Respekt für diese Überlegung! Ich bin totaler Anfänger und muss erst noch dahin kommen.
LG


Nach oben
 Profil Private Nachricht senden E-Mail senden  
 
Beiträge der letzten Zeit anzeigen:  Sortiere nach  
Ein neues Thema erstellen Auf das Thema antworten  [ 11 Beiträge ] 

Alle Zeiten sind UTC + 1 Stunde


Wer ist online?

Mitglieder in diesem Forum: 0 Mitglieder und 18 Gäste


Du darfst keine neuen Themen in diesem Forum erstellen.
Du darfst keine Antworten zu Themen in diesem Forum erstellen.
Du darfst deine Beiträge in diesem Forum nicht ändern.
Du darfst deine Beiträge in diesem Forum nicht löschen.
Du darfst keine Dateianhänge in diesem Forum erstellen.

Suche nach:
Powered by phpBB® Forum Software © phpBB Group
Deutsche Übersetzung durch phpBB.de