www.blafusel.de


  Home  |   Privat  |   Impressum  |   Bücher  |   Computer  |   Mikrocontroller  |   Misc  |   OBD  |   Forum
Aktuelle Zeit: Freitag 19. Dezember 2025, 15:44

Alle Zeiten sind UTC + 1 Stunde




Ein neues Thema erstellen Auf das Thema antworten  [ 4 Beiträge ] 
Autor Nachricht
BeitragVerfasst: Montag 19. Juli 2010, 14:01 
Offline

Registriert: Montag 19. Juli 2010, 13:52
Beiträge: 7
Habe mit der aufgebauten und sorgfältig überprüften Schaltung folgendes Problem. Beim Anschluss der Schaltung an meinem Audi A6 1.9 TDI BJ 2004 erhitzt sich der Spannugsregler auf der PLatine sehr schnell keine der LEDs leuchtet dabei auf. Hat eventuell jemand einen Rat oder noch einen Tipp für mich? Wäre dankbar für jede Hilfe.


Nach oben
 Profil Private Nachricht senden E-Mail senden  
 
BeitragVerfasst: Dienstag 20. Juli 2010, 07:18 
Offline
Administrator
Benutzeravatar

Registriert: Mittwoch 6. Oktober 2004, 09:52
Beiträge: 2131
Dann liegt ggf. ein Aufbaufehler vor. viewtopic.php?f=15&t=255
Oder ein Fehler bei den Anschlüssen an der OBD Buchse (falsche Belegung usw.).

_________________

:verweis: Alles folgende ist Teil der Antwort und wird oben nicht noch mal explizit wiederholt:

Sieh' in die FAQ! Schaue in die Fahrzeugliste, ob Dein Fahrzeug vorhanden ist. Trage Deine Erfahrungen dort ein und hilf so anderen Nutzern!

Ich freue mich über Infos mit Herstellernummern zu VAG Steuergeräten mit CAN TP 1.6/2.0 oder UDS Protokoll wenn die Pinbelegung (Diagnoseleitungen und Spannungsversorgung) bekannt ist.

Nutze PGP für Deine Emails! (PDF lesen)

Dieser Beitrag kann Werbung enthalten.


Nach oben
 Profil  
 
BeitragVerfasst: Dienstag 20. Juli 2010, 16:20 
Offline

Registriert: Montag 19. Juli 2010, 13:52
Beiträge: 7
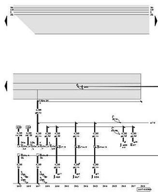
Wir haben zu zweit noch einmal den kompletten Aufbau und die Bestückung und Verlötung kontrolliert und konnten hierbei keinen Fehler feststellen. Ich habe anbei einmal den Schaltplan der Diagnosebuchse des A6 als svg Grafik hinzugefügt kann hier ev. der Fehler liegen? Bitte um Hilfe.
ws = weiss
sw = schwarz
ro = rot
br = braun
gn = grün
bl = blau
gr = grau
li = lila
ge = gelb
or = orange
rs = rosa





Schalttafeleinsatz, Diagnoseanschluß
E87 - Bedienungs- und Anzeigeeinheit für Klimaanlage
J217 - Steuergerät für autom. Getriebe
J234 - Steuergerät für Airbag
J285 - Steuergerät mit Anzeigeeinheit im Schalttafeleinsatz
J429 - Steuergerät für Zentralverriegelung
J453 - Steuergerät für Multifunktionslenkrad
T10av - Steckverbindung, 10-fach, gelb, Kupplungsstation A-Säule rechts
T16a - Steckverbindung, 16-fach, Diagnosekupplung
T17 - Steckverbindung, 17-fach, orange, Kupplungsstation A-Säule rechts
T17m - Steckverbindung, 17-fach, blau, Kupplungsstation A-Säule rechts
T32a - Steckverbindung, 32-fach, grün, am Schalttafeleinsatz
135 - Masseverbindung -2-, im Schalttafelleitungsstrang
199 - Masseverbindung -3-, im Schalttafelleitungsstrang
A76 - Verbindung (K-Diagnoseleitung), im Schalttafelleitungsstrang
A159 - Verbindung (L), im Schalttafelleitungsstrang
* - Fahrzeuge mit Automatikgetriebe 01V/ 01L
** - Fahrzeuge mit Multifunktionslenkrad
# - beides ist möglich


Dateianhänge:
A97-82502.jpg [17.55 KiB]
804-mal heruntergeladen
Nach oben
 Profil Private Nachricht senden E-Mail senden  
 
BeitragVerfasst: Freitag 23. Juli 2010, 09:18 
Offline

Registriert: Montag 19. Juli 2010, 13:52
Beiträge: 7
Falls es jemanden interessiert es war der Spannungsregler. Mehr als 0,2 Volt lagen am Ausgang nicht an und er wurde extrem heiss. Neuen Spannungsregler gekauft eingelötet und siehe da alles funktioniert.


Nach oben
 Profil Private Nachricht senden E-Mail senden  
 
Beiträge der letzten Zeit anzeigen:  Sortiere nach  
Ein neues Thema erstellen Auf das Thema antworten  [ 4 Beiträge ] 

Alle Zeiten sind UTC + 1 Stunde


Wer ist online?

Mitglieder in diesem Forum: 0 Mitglieder und 43 Gäste


Du darfst keine neuen Themen in diesem Forum erstellen.
Du darfst keine Antworten zu Themen in diesem Forum erstellen.
Du darfst deine Beiträge in diesem Forum nicht ändern.
Du darfst deine Beiträge in diesem Forum nicht löschen.
Du darfst keine Dateianhänge in diesem Forum erstellen.

Suche nach:
Powered by phpBB® Forum Software © phpBB Group
Deutsche Übersetzung durch phpBB.de